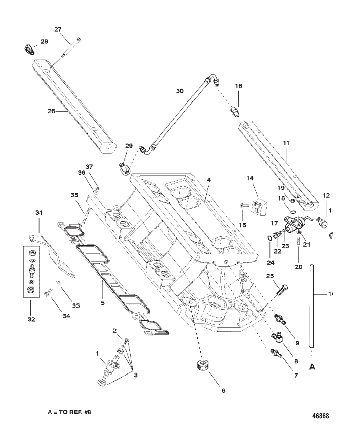
| Ref # | Current Part Nbr |
Description | Superceded From |
Status | Notes | List Price |
Online Price |
Quan Used |
Order Quan |
|---|---|---|---|---|---|---|---|---|---|
| 1 | 806807A1 | INJECTOR ASSEMBLY Fuel | ACT |
|
$333.49 | $300.43 | 8 | ||
| 2 | 807288 | ----FILTER | NLA |
|
$0.00 | $0.00 | 8 | ||
| 3 | 805511A1 | ----SEALING KIT Fuel Injector | ACT |
|
$24.29 | $23.82 | 8 | ||
| 4 | 807352A1 | MANIFOLD ASSEMBLY Intake | NLA |
|
$0.00 | $0.00 | 1 | ||
| 5 | 807473A1 | ----GASKET SET | ACT |
|
$73.99 | $69.69 | 1 | ||
| 6 | 384071 | ----FITTING (1/2-14) | ACT | $14.99 | $14.63 | 2 | |||
| 7 | 805691 | ----FITTING (.250) Barb | ACT | $24.99 | $24.55 | 1 | |||
| 8 | 920071 | ----FITTING (.250-18) (90 DEG.) | 92007 | SS |
|
$54.49 | $51.33 | 1 | |
| 9 | 805519 | ----FITTING Barb (.250 Inch) | NLA |
|
$0.00 | $0.00 | 1 | ||
| 10 | 8M0063567 | HOSE | 80617370 | SS |
|
$37.99 | $37.20 | 1 | |
| 11 | 806804T | FUEL RAIL | NLA |
|
$0.00 | $0.00 | 1 | ||
| 12 | 805408 | VALVE Rail Pressure Service | ACT | $34.99 | $34.29 | 1 | |||
| 13 | 8M0046566 | CAP Shrader Valve - Brass | 805515 | REP |
|
$4.69 | $4.59 | 1 | |
| 14 | 807040T | ADAPTOR BLOCK | NLA |
|
$0.00 | $0.00 | 1 | ||
| 15 | 807054 | SCREW (.250-20 x 1.00) | NLA |
|
$0.00 | $0.00 | 2 | ||
| 16 | 806942 | CONNECTOR | NLA |
|
$8.89 | $8.68 | 1 | ||
| 17 | 806808A2 | REGULATOR ASSEMBLY Fuel Pressure | NLA |
|
$0.00 | $0.00 | 1 | ||
| 18 | 805531 | ----O-RING (.476 x .075) | ACT |
|
$5.59 | $5.47 | 1 | ||
| 19 | 805406 | ----FILTER | ACT | $6.89 | $6.73 | 1 | |||
| 20 | 69022 | SCREW (#10-32 x .500) Stainless Steel | ACT | $1.10 | $1.08 | 2 | |||
| 21 | 89302 | WASHER (.203 x .406 x .04 | ACT | $1.80 | $1.76 | 2 | |||
| 22 | 805514A1 | FITTING ASSEMBLY | NLA |
|
$0.00 | $0.00 | 1 | ||
| 23 | 805553 | ----O-RING | ACT |
|
$5.19 | $5.08 | 1 | ||
| 24 | 805407 | ----O-RING (.346 x .075) | ACT |
|
$3.19 | $3.11 | 1 | ||
| 25 | 881892 | SCREW (.312-18 x 1.750) | 75206 | SS |
|
$3.69 | $3.59 | 6 | |
| 26 | 861085T | FUEL RAIL | 806805T | SS |
|
$249.99 | $225.23 | 1 | |
| 27 | 806943 | SHOULDER SCREW (.250-20 x 2.625) | ACT | $17.29 | $16.94 | 4 | |||
| 28 | 93385 | FITTING (90 Degree) | ACT | $13.19 | $12.88 | 1 | |||
| 29 | 33821 | CONNECTOR | ACT | $9.69 | $9.46 | 1 | |||
| 30 | 806814T | LINE Fuel fuel rail to fuel rail | NLA |
|
$0.00 | $0.00 | 1 | ||
| 31 | 806809T | BRACKET | NLA |
|
$0.00 | $0.00 | 1 | ||
| 32 | 97477A3 | STUD KIT | ACT | $33.19 | $32.57 | 1 | |||
| 33 | 20553 | WASHER (.406 x .734 x .06 | ACT | $1.50 | $1.47 | 2 | |||
| 34 | 805189 | SCREW (.375-16 x .750) | NLA |
|
$0.00 | $0.00 | 2 | ||
| 35 | 73563 | STUD (.312-18/.312-24 x 2.310) | NLA |
|
$0.00 | $0.00 | 2 | ||
| 36 | 20084 | WASHER (.328 x .562 x .06 | ACT | $2.97 | $2.92 | 2 | |||
| 37 | 82670911 | NUT (.312-24) Stainless S | 35814 | SS |
|
$4.99 | $4.88 | 2 | |
| - | 806988A96 | GASKET SET Overhaul | NLA |
|
$0.00 | $0.00 | 1 |