| Ref # | Current Part Nbr |
Description | Superceded From |
Status | Notes | List Price |
Online Price |
Quan Used |
Order Quan |
|---|---|---|---|---|---|---|---|---|---|
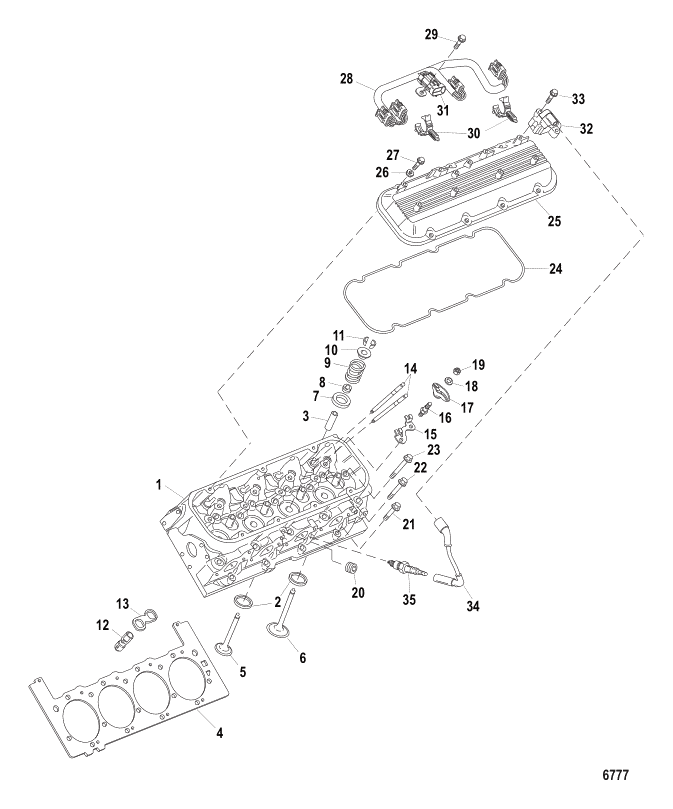
| 1 | 8M0188297 | HEAD-CYL-STBD | 8M0090760 | SS |
|
$2,443.75 | $2,366.73 | 1 | |
| 1 | 8M0188298 | CYL HEAD-PORT | 8M0091709 | SS |
|
$2,443.75 | $2,366.73 | 1 | |
| 2 | NSS | --------NOT SOLD SEPARATE Seat |
|
$0.00 | $0.00 | AR | |||
| 3 | NSS | --------NOT SOLD SEPARATE Guide, Valve |
|
$0.00 | $0.00 | AR | |||
| 4 | 881631 | GASKET Cylinder Head | ACT |
|
$235.99 | $222.17 | 1 | ||
| 4 | 879150064 | GASKET Cylinder Head | NLA |
|
$0.00 | $0.00 | 1 | ||
| 5 | 8M0146080 | VALVE-INT 8.1L BX | ACT |
|
$68.75 | $67.38 | 8 | ||
| 6 | 8M0146108 | VALVE-EXH 8.1L BX | ACT |
|
$68.75 | $67.38 | 8 | ||
| 7 | 850463 | ROTATOR Valve | ACT | $43.49 | $42.64 | 8 | |||
| 8 | 881637T | SEAL Valve Stem Oil | ACT |
|
$29.49 | $28.89 | 16 | ||
| 9 | 881672001 | SPRING Valve | ACT | $27.69 | $27.17 | 16 | |||
| 10 | 850464 | CAP Valve Spring | ACT | $19.99 | $19.56 | 8 | |||
| 11 | 54530 | KEY Valve Stem | ACT | $6.89 | $6.73 | 32 | |||
| 12 | 850467 | LIFTER Valve | ACT | $99.99 | $96.10 | 16 | |||
| 13 | 845754 | GUIDE-LIFTER Valve Lifter | ACT | $8.09 | $7.90 | 8 | |||
| 14 | 881682T | ROD Intake | ACT | $50.99 | $48.82 | 8 | |||
| 14 | 881683 | ROD Exhaust | ACT | $57.49 | $55.07 | 8 | |||
| 15 | 881686 | GUIDE Rocker Arm | ACT | $18.39 | $17.95 | 8 | |||
| 16 | 881635 | STUD | ACT | $36.99 | $36.34 | 16 | |||
| 17 | 881687T | ARM | ACT | $99.99 | $96.02 | 16 | |||
| 18 | 58041 | BALL | ACT | $34.49 | $33.86 | 16 | |||
| 19 | 801883 | NUT | ACT | $19.99 | $19.56 | 12 | |||
| 20 | 75983 | PLUG | ACT | $8.19 | $8.00 | 2 | |||
| - | 881642A01 | HEAD BOLT KIT | NLA |
|
$0.00 | $0.00 | 2 | ||
| 21 | NSS | --------NOT SOLD SEPARATE SCREW, (M10 x 52) |
|
$0.00 | $0.00 | 8 | |||
| 22 | NSS | --------NOT SOLD SEPARATE SCREW, (M10 x 86) |
|
$0.00 | $0.00 | 4 | |||
| 23 | NSS | --------NOT SOLD SEPARATE SCREW, (M10 x 103) |
|
$0.00 | $0.00 | 24 | |||
| 24 | 881622 | GASKET Cylinder Head Cover | ACT |
|
$80.99 | $77.83 | 2 | ||
| 25 | 891870 | COVER Cylinder Head | ACT | $310.49 | $292.01 | 2 | |||
| 26 | 881621 | GASKET | ACT | $35.99 | $35.27 | 14 | |||
| 27 | 881623 | BOLT | ACT | $32.99 | $32.33 | 14 | |||
| 28 | 8M0143829 | HARNESS-COIL Ignition Coil Wiring | ACT | $59.99 | $57.63 | 1 | |||
| 29 | 8M0157899 | BOLT | 881648 | SS |
|
$25.99 | $25.53 | 4 | |
| 30 | 8M0069809 | CLIP | ACT | $5.09 | $4.98 | 2 | |||
| 31 | NSS | NOT SOLD SEPARATE Connector |
|
$0.00 | $0.00 | 1 | |||
| 32 | 8M0178581 | COIL-IGNITION Ignition | 889925 | SS |
|
$230.99 | $217.46 | 8 | |
| 33 | 881647 | BOLT | ACT | $19.09 | $18.74 | 16 | |||
| 34 | 8M0220181 | WIRE KIT-SPK PLG Spark Plug | 8M0117678 | SS |
|
$592.99 | $557.83 | 1 | |
| 34 | 8M0220181 | ----WIRE-SPK PLG Spark Plug | 888740 | REP |
|
$592.99 | $557.83 | 4 | |
| 34 | 8M0119695 | ----WIRE-SPK PLG | ACT |
|
$189.49 | $178.06 | 4 | ||
| 35 | 8M0129146 | AC 41-983 | ACT | $24.39 | $23.90 | 8 | |||
| NS | 881720 | RETAINER 2 Spark Plug Wire | NLA |
|
$0.00 | $0.00 | AR | ||
| NS | 883924 | RETAINER-SPK PLUG Conduit | ACT | $6.39 | $6.25 | AR | |||
| NS | 47463 | PLUG Cylinder Head | ACT | $12.39 | $12.10 | 2 |