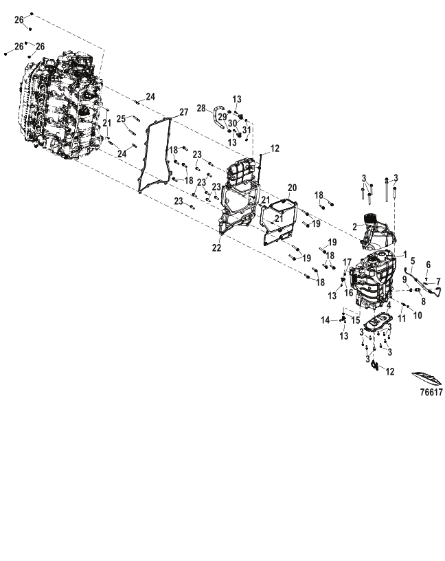
| Ref # | Current Part Nbr |
Description | Superceded From |
Status | Notes | List Price |
Online Price |
Quan Used |
Order Quan |
|---|---|---|---|---|---|---|---|---|---|
| 1 | 8M0210471 | SUPERCHARGER ASSEMBLY | ACT |
|
$12,794.68 | $11,148.12 | 1 | ||
| 2 | 8M0219437 | ----INLET NOSE ASSEMBLY | ACT | $1,726.45 | $1,545.83 | 1 | |||
| NS | 8M0204265 | ----BUSHING AND GASKET SET Supercharger Inlet Nose | ACT | $160.61 | $148.64 | 1 | |||
| 3 | NSS | --------NOT SOLD SEPARATE Screw |
|
$0.00 | $0.00 | AR | |||
| 4 | 8M0204264 | ----GEAR COVER ASSEMBLY | ACT | $332.30 | $307.54 | 1 | |||
| 5 | 8M0168882 | HOSE Oil, Cylinder Head to Supercharger | ACT | $144.49 | $130.05 | 1 | |||
| 6 | 40011106 | SCREW (M5 x 13) Stainless Steel | ACT | $1.70 | $1.66 | 1 | |||
| 7 | 8M0149580 | CLAMP Retaining | ACT | $25.48 | $25.12 | 1 | |||
| 8 | 8M0210488 | ADAPTOR | ACT |
|
$58.87 | $56.26 | 1 | ||
| 9 | 8M0210489 | ----O-RING | ACT | $21.65 | $21.34 | 1 | |||
| 10 | 401386 | NUT (M6) Stainless Steel | ACT | $5.09 | $4.98 | 1 | |||
| 11 | 8M0159616 | STUD | ACT | $18.39 | $18.01 | 1 | |||
| 12 | 899145 | CLIP Tie Strap | ACT | $3.39 | $3.30 | 3 | |||
| 13 | 40011107 | SCREW (M5 x 16) Stainless | ACT | $1.80 | $1.76 | 4 | |||
| 14 | 8M0159610 | FITTING WATER | ACT |
|
$13.89 | $13.56 | 1 | ||
| 15 | 8M0142481 | ----O-RING (0.362 x 0.103) | ACT | $0.70 | $0.69 | 1 | |||
| 16 | 8M0210520 | FITTING Water | ACT |
|
$19.58 | $19.30 | 1 | ||
| 17 | 8M0142481 | ----O-RING (0.362 x 0.103) | ACT | $0.70 | $0.69 | 1 | |||
| 18 | 8M0103813 | SCREW (M8 x 30) | ACT | $4.09 | $4.00 | 10 | |||
| 19 | 88552645 | SCREW (M8X45) | ACT | $3.29 | $3.21 | 5 | |||
| 20 | 8M0210770 | GASKET Supercharger | ACT | $91.51 | $87.45 | 1 | |||
| 21 | 892228 | PIN Dowel | ACT | $4.49 | $4.39 | 4 | |||
| 22 | 8M0208378 | BEDPLATE COVER | ACT | $1,056.42 | $945.91 | 1 | |||
| 23 | 8M0213126 | SCREW | ACT | $26.73 | $26.36 | 8 | |||
| 24 | 8M0159614 | STUD | ACT | $18.99 | $18.66 | 3 | |||
| 25 | 8M0159615 | STUD | ACT | $23.59 | $23.16 | 2 | |||
| 26 | 8M0159618 | NUT | ACT | $21.09 | $20.71 | 5 | |||
| 27 | 8M0159617 | GASKET BEDPLATE | ACT | $57.49 | $54.15 | 1 | |||
| 28 | 8M0159613 | HOSE BEDPLATE COVER | ACT | $6.09 | $5.95 | 1 | |||
| 29 | 816311T | TIE STRAP (8.00 Inches) | ACT | $0.60 | $0.59 | 2 | |||
| 30 | 8M0159612 | FITTING ASSY WATER | ACT |
|
$14.49 | $14.14 | 2 | ||
| 31 | 8M0142481 | ----O-RING (0.362 x 0.103) | ACT | $0.70 | $0.69 | 2 | |||
| - | 8M0228561 | LONG BLOCK ASSEMBLY | 8M0210470 | SS |
|
$24,467.23 | $21,318.51 | 1 | |
| - | 8M0210444 | GASKET SET Longblock | ACT | $413.09 | $382.31 | 1 |