| Ref # | Current Part Nbr |
Description | Superceded From |
Status | Notes | List Price |
Online Price |
Quan Used |
Order Quan |
|---|---|---|---|---|---|---|---|---|---|
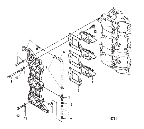
| 1 | 853717A2 | MANIFOLD ASSEMBLY Inlet | ACT |
|
$114.99 | $103.68 | 1 | ||
| 1 | 802810A1 | MANIFOLD ASSEMBLY Intake | ACT |
|
$136.49 | $122.76 | 1 | ||
| 2 | 8M0047033 | GASKET | 855555 | SS |
|
$12.89 | $12.58 | 3 | |
| 3 | 823042 | BOLT | ACT | $3.79 | $3.69 | 11 | |||
| 4 | 8537191 | REED BLOCK | ACT |
|
$102.99 | $92.86 | 3 | ||
| 4 | 8537192 | REED BLOCK | ACT |
|
$65.49 | $61.69 | 3 | ||
| 5 | 8M0057113 | TUBING (65 mm) | 95394011 | REP |
|
$27.79 | $27.25 | 1 | |
| 6 | 8M0057113 | TUBING (155 mm) | 95394012 | REP |
|
$27.79 | $27.25 | 1 | |
| 7 | 95395 | CLIP Stainless Steel | ACT | $3.09 | $3.01 | 4 | |||
| 8 | 855809003 | BOLT | 16329002 | SS |
|
$5.19 | $5.08 | 6 | |
| 9 | 809931044 | WASHER | ACT | $1.90 | $1.86 | 6 | |||
| 10 | 16818 | LOCKWASHER | ACT | $1.50 | $1.47 | 6 | |||
| 11 | 8M0130961 | CLAMP | 95306 | SS |
|
$5.29 | $5.17 | 1 | |
| 12 | 8M0204707 | BOLT Stainless Steel | 16166 | SS |
|
$3.99 | $3.91 | 1 | |
| 13 | 8230317 | SCREW | ACT | $0.00 | $0.00 | 6 | |||
| - | 8M0146290 | POWERHEAD ASSEMBLY | 851886A06 | ACT |
|
$2,085.70 | $1,868.08 | 1 | |
| - | 8M0147022 | POWERHEAD ASSEMBLY | 802806A99 | SS |
|
$2,085.70 | $1,868.08 | 1 | |
| - | 8M0081614 | GASKET SET Powerhead | 812937A02 | SS |
|
$255.49 | $229.96 | 1 |